产品问答

Product question and answer

您当前所在位置:网站首页 > 服务中心 >产品问答

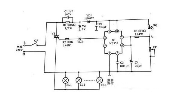
公共照明的线路结构图

发布时间:2020-03-06 14:37:16

公共照明线路中的部件符号说明:
1.断路器:用字母QF标识,在线路中作为总开关,也可采用具有过载和短路保护功能的继电器。
2双向晶闸管:用字母VS标识,作为可控开关器件,控制照明路灯供电的接通和断开。
3稳压二极管:用字母VZ标识,在线路中作为稳压器件,用于稳定电压。
4光敏电阻器:用字母RG标识,是公共能朗线路中最常用的一种感测元件,通过感知光线变化其自身阻值发生变化,并将这种变化作
为重要的触发信息,来触发线路工作。
5.NE555时基集成电路:用字母IC标识,其内部由模拟电路和数字电路组合而成,兼有模拟电路和数字电路的特点。
6照明路灯:用字母EL标识,在线路中通常为多个照明路灯串联连接, 以同时对某- -区域路灯的点亮和熄灭进行控制。
公共照明路灯的控制过程是:
合_上供电线路中的断路器QF接通交流220 V电源。
交流220 V电压经整流和滤波电路后,输出直流电压为线路中的时基集成电路IC供电,线路进入准备工作状态。
夜晚来临时,光照强度逐渐减弱,光敏电阻器RG阻值逐渐增大。
光敏电阻器RG阻值增大,其压降升高,分压点A点电压降低。
加到时基集成电路IC的2、6脚的电压变为低电平。
时基集成电路IC2,6脚为低电平时,内部触发器翻转,其3输出高电平,二极管VD2导通。
VD2导通后,触发晶闸管VS导通,照明路灯形成供电回路, EL1 ~ELn同时点亮。
当第二天黎明来临时,光照强度越来越高,光敏电阻器RG的阻值逐渐减小。
经光敏电阻器RG分压后加到时基集成电路IC2,6脚上的电压又逐渐升高。
当IC2脚电压上升至大于2/3VDD时, 6脚电压也大于2/3VDD,使C内部触发器再
次翻转, IC3脚输出低电平,二极管VD2截止、晶闸管VS止。
晶闸管VS截止,照明路灯EL1 ~ ELn供电回路被切断,所有照明路灯同时熄灭。

上一篇:路灯杆分类,路灯灯杆材质有哪些 下一篇:LED灯县光学参数的检测